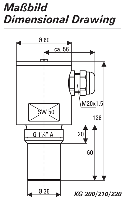
KG-2XX

Capacitiv Limit Switch

Features

product family

level measurement

product class

Point Level Measurement

suitable for

fluids

measurement principle

capacitive


Special characteristics

  • Contactless measurement

  • Maintenance-free and wear resistant (no mechanical parts)

  • Retroffiting on plastic tubes and plastic tanks 

Description

Capacitive limit switches respond on approach of solid and liquid media.

Technical Data

Properties KG-201
Operating voltage
20...250 V AC
Switching version(*standard)
*Schließer | Öffner
connection
2-Leiter
nominal voltage
110 VAC
No-load current
typ. 2,5 mA
Min. switching current
typ. 5 mA
Max switching current
330 mA
Max. Voltage drop with "ON"
typ. 6 V
Min. switching capacity
0,55 V A
Max. switching capacity
36,3 V A
Switching distance(mm)
3...30
Switching hysteresis
typ. 10%
Repeatability atTa=const.
typ. 0,1 %
Drift
< 10%
Switching frequency
max. 25 Hz
Switching indicator
LED rot, eing.
Permanent short-circuit protection
nein
Permissible ambient temperature
–25...+70 °C
Properties KG-200|KG-202
Operating voltage
20...250 V AC
Switching version(*standard)
*Schließer | Öffner
connection
2-Leiter
nominal voltage
220 VAC
No-load current
typ. 2,5 mA
Min. switching current
typ. 5 mA
Max switching current
330 mA
Max. Voltage drop with "ON"
typ. 6 V
Min. switching capacity
1,1 V A
Max. switching capacity
72,6 V A
Switching distance(mm)
3...20
Switching hysteresis
typ. 10%
Repeatability atTa=const.
typ. 0,5 %
Drift
< 10%
Switching frequency
max. 25 Hz
Switching indicator
LED gelb, intern
Permanent short-circuit protection
nein
Permissible ambient temperature
–20...+60 °C
properties KG-211
Operating voltage
10...35 V DC
Permissible ripple
10 %
Switching version(*standard)
*Schließer, Öffner
connection
3-Leiter
nominal voltage
24 V DC
No-load current
typ. 15 mA
Max switching current
400 mA
Max. Voltage drop with "ON"
2,5 V
Max. switching capacity
14 W
Switching distance(mm)
3...30
Switching hysteresis
< 10%
Repeatability atTa=const.
< 0,1%
Drift
< 10%
Switching frequency
max. 50 Hz
Switching indicator
LED rot, eing.
Reverse polarity protection
ja
Permanent short-circuit protection
ja
Permissible ambient temperature
–25...+70°C
Properties KG-210|KG-212
Operating voltage
10...35 V DC
Permissible ripple
10 %
Switching version(*standard)
*Schließer, Öffner
connection
3-Leiter
nominal voltage
24 V DC
No-load current
typ. 15 mA
Max switching current
400 mA
Max. Voltage drop with "ON"
2,5 V
Max. switching capacity
14 W
Switching distance(mm)
3...25
Switching hysteresis
< 10%
Repeatability atTa=const.
< 0,5%
Drift
< 10%
Switching frequency
max. 50 Hz
Switching indicator
LED gelb, intern
Reverse polarity protection
ja
Permanent short-circuit protection
ja
Permissible ambient temperature
–20...+60°C

KG-2XX application-specific configuration

KG2 - [ 1 ] - [ 2 ] - [ 3 ] - [ 4 ]


1 Versorgungsspannung

  • 0 : 20...250 V AC
  • 1 : 10...35 V DC
  • 2 : Namur (EN 50227)

2 Gehäuse

  • 0 : mit Gehäuse PPH 1¼”
  • 1 : ohne Gehäuse
  • 2 : Stabausführung
  • 3 : mit Gehäuse PTFE 1¼”

3 Kontakte

  • S : Schließer
  • O : Öffner

4 Halterung

  • XX : keine Halterung
  • H : mit Halterung

Further product information

The  Capacitiv  Limit Switches can be adjusted in such a way that they switch both in contact with the medium and contact less. They are suitable for plastic tanks, glass and plastic tubes. 

The capacitive probe is an electronic signaling transmitter which works according to the capacitive scanning principle. When a medium approaches the response region (front side of the limit switch) an additional capacity to the oscillating circuit of the amplifier is produced. This process gives a switching signal which triggers the sweep amplifier of the transistor stage.

The tripping sensitivity or the switching interval depends on the properties of the medium. The tripping sensitivity can be adjusted from outside using a potentiometer.
Particular fields of application for capacitive probes include chemical products, plastic, glass, wood, oil, water etc. These capacitive probes can be used for controlling process operations in machine tools, printing machines, packing and wood processing machines.

The connecting head and switch casing form one unit.

Capacitive probes KG-201, 211 and 221 without casing can be mounted directly on machines, sequence lines and control units. Types KG-202, 212 and 222 are rod-type designs and can be supplied in various lengths on request.

  • Temperature-compensated
  • Easy calibration

Documents and Downloads

Video of the product

Our application engineers advise you personally, comprehensively and professionally!

Simply contact us by phone or e-mail!

Call us right away!

+49-6251-8462-0

contact form

Logo of Fluid.iO Sensor + Control

Fluid.iO
Sensor + Control
GmbH & Co. KG

An der Hartbrücke 6
64625 Bensheim
Tel.: +49-6251-8462-0
E-Mail: info@fluidio.de