ES series: Electronic safety switching devices with TÜV approval, SIL2 & EU type examination
-
Fluid.iO Sensor + Control GmbH & Co. KG
- Aug 15, 2023
- 22
- 3.9 minutes
Zella-Mehlis-based ZILA GmbH, which specialises in process and pressure safety measurement technology, has successfully completed the development of a product family of electronic safety switching devices.
In accordance with DIN EN 378, system operators are required to provide pressure monitors, pressure limiters or safety pressure limiters in their machines and systems in order to ensure a safe condition for people and machines at all times in the event of unintentional pressure overshoots or pressure undershoots in the process sequence.
Conventional devices for pressure limitation often only offer rough, mechanical adjustment options with regard to switching points and reset values. The used pressure measuring cells are limited in their compatibility with natural refrigerants and flammable media.

ZILA GmbH is now offering a completely newly developed product family of type-tested, electronically configurable safety switching devices for use in refrigeration systems and heat pumps as well as in steam boilers and heating systems. The devices impress with their outstanding safety features and a wide range of expert functions, which save resources during commissioning, daily operation and maintenance over the entire period of system operation.
Type-tested & TÜV-certified electronic safety switching device in accordance with DIN EN 378
The ES series combines several safety functions in a compact anodised aluminium housing: The devices can be designed both as minimum pressure limiters and as maximum pressure limiters (type-tested PSH/PSL, PZH/PZL and PZHH/PZLL in accordance with DIN EN 378) and are considered equipment with a safety function as defined by the Pressure Equipment Directive Category IV and in accordance with "VdTÜV Druck 100" as a special type of pressure limiter. The safety functions of the device are electrically connected in series and therefore offer maximum safety.
Precise pressure measuring cells with high media compatibility
Electronic pressure measuring cells with a welded stainless steel diaphragm are used to record the system pressure, ensuring media compatibility with a wide range of natural refrigerants and flammable media. R744 (CO2), R219 (propane) and R717 (ammonia) are particularly noteworthy in mechanical and plant engineering. The devices in the ES series cover common pressure ranges in subcritical applications as well as in transcritical areas beyond 100 bar.
ZILA ES-2x product variants and expansion options
System operators can choose the optimum safety switching device for their application from three product variants (ES-20, ES-21, ES-22), whereby all variants are SIL2 certified. Depending on the type of safety function to be used in accordance with DIN EN 378, the devices have individual or combined safety functions of a pressure regulator, pressure limiter, pressure monitor and a safety pressure limiter.
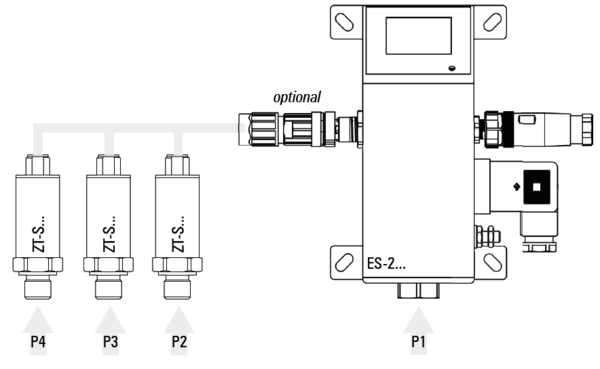
The ES series can be expanded into a centralised measurement and control system in machines and systems by means of measuring channel and switching channel expansion. The device can monitor up to four independent pressure circuits, for which specially developed SIL 2-capable pressure transmitters (ZT-S) are connected to the ES device via a secure communication interface. The ESE expansion box developed by ZILA can be connected directly to an ES-2x device in order to expand the electronic safety switching device with additional switching channels.
![]()
Advanced parameterisation for precise monitoring of the system pressure
A major advantage of the electronic safety switching device is the extensive configuration menu, which has been structured in consultation with the VDMA. Switching points, switching delays, hysteresis and many other parameters can be configured directly on the device or conveniently via Bluetooth using a smartphone app. Switching points can be set to an accuracy of 0.1 bar between 5 % and 90 % of the nominal pressure range. Another special feature to emphasise is that the integrated test for perfect functionality of the switching points can be carried out at any time without applying system pressure.
Bluetooth, app control and extended service and diagnostic functions
System operators benefit from helpful service and diagnostic functions when using the ZILA ES-2x series. The integrated electronics carry out regular self-tests and show measured values, alarms and device status on the integrated display. The electronic safety switching device also acts as a data logger for measurement series and can perform a leak test with adjustable parameters such as duration, interval or end time. The device automatically records various measured values, alarms and changes to the process conditions and saves this information in log files provided for this purpose.
The range of products and solutions in the ES series is rounded off by the smartphone app developed specifically for the device. Fitters, system technicians and inspectors can use the Android app to view important device information and transfer error logs, configuration files and change histories from the device to the Bluetooth-connected smartphone for documentation purposes.
ES-Serie
electronic safety switching device
TÜV-certified, type-tested electronic safety switching device (SIL2)
ZT-S
Functionally safe pressure transmitter for ES series
Reliable pressure measurement and optimal process monitoring thanks to the ZT series. Developed for high demands and safety-critical applications
Our application engineers advise you personally, comprehensively and professionally!
Simply contact us by phone or e-mail!