Predictive Maintenance 4.0 - Kontinuierliche Ölzustandsüberwachung am Beispiel zweier BHKW-Anlagen

  • Fluid.iO Logo Fluid.iO Sensor + Control GmbH & Co. KG
  • May 8, 2023
  • 18
  • 14.9 minutes
Predictive Maintenance 4.0 - Kontinuierliche Ölzustandsüberwachung am Beispiel zweier BHKW-Anlagen

Ein regelmäßiger Ölwechsel ist bei Blockheizkraftwerken mit Verbrennungsmotoren ebenso unumgänglich wie bei Autos. Viele Anlagenbetreiber führen diesen nach wie vor zeitbasiert nach einer bestimmten Anzahl an Betriebsstunden durch. Was hierbei jedoch nicht berücksichtigt wird, ist der tatsächliche Zustand des Öls, weshalb ein Austausch möglicherweise zu früh, zu häufig oder ohne Grund vorgenommen wird.

In diesem Artikel demonstrieren wir an zwei Anlagenmodellen, wie Sie mit unserem Ölzustandssensor FluidIX Lub-6 eine Unwirtschaftlichkeit Ihrer Anlage vermeiden sowie enorme Einsparpotenziale wahrnehmen können.

Inline-Ölzustandsanalyse als neuer Markt

Die Inline-Ölzustandsmessung kam noch vor einigen Jahren als völlig neue Technologie auf den Markt und hat sich seitdem aufgrund der zunehmenden Digitalisierungder Implementierung von fortschrittlicheren Prozessen und Instandhaltungsstrategien sowie durch Industrie 4.0 kontinuierlich weiterentwickelt.

So sind heute bereits etliche Ölzustandssensoren erhältlich, die allerdings aufgrund der unterschiedlichen Messmethoden nicht immer direkt miteinander vergleichbar sind. Bei einigen Messverfahren, wie z.B. beim Messen der Ölchemie, kann bereits sehr früh erkannt werden, ob sich eine chemische Verbindung möglicherweise zersetzt. Andere Verfahren, wie beispielsweise das Partikelzählen oder Vibrationen, berücksichtigen diesen Umstand dagegen nicht.

Außerdem ist festzustellen, dass es aktuell am Markt noch keinen inlinefähigen Sensor gibt, der in der Lage ist zwischen Verschleißmetallen zu differenzieren. Diese Aufgabe übernehmen derzeit spezielle Ölanalyselabore. Dafür werden Proben der betreffenden Anlagen entnommen, in ein solches Labor eingeschickt und dort anschließend von Fachleuten ausgewertet.

Überwachung des Ölzustandes: Technologien und Messverfahren im Vergleich

Momentan gibt es nur eine handvoll Sensortechnologien, die ähnlich zuverlässig und präzise funktionieren wie Laborverfahren. Um zu verstehen wieso das so ist, betrachten wir zunächst das Standardlaborverfahren zur Bewertung der Ölchemie.

FTIR-Spektroskopie

Bei der FTIR-Spektroskopie werden mithilfe eines Spektrometers Ölproben vermessen. Zunächst erfolgt eine Durchlichtung der Proben, anschließend die Ermittlung des Infrarotspektrums und in weiterer Folge dann die Bestimmung der spektralen Banden, welche letztlich den Ölzustand abbilden. Diese und weitere Größen, wie z.B. Oxidation, Nitration, Wassergehalt usw., werden zum Schluss in einem Analysebericht zusammengefasst, um eine Aussage über den gegenwärtigen Zustand des Öls in der betreffenden Maschine oder Anlage treffen und daraus entsprechende Maßnahmen für die Serviceplanung und Instandhaltung ableiten zu können.

Vor- und Nachteile der FTIR-Spektroskopie

Vorteile Nachteile
Präzises Messverfahren Anlagenbetreiber sind zur Bestimmung des gegenwärtigen Ölzustands von Maschinen stets auf ein Labor angewiesen
Liefert eine genaue Aussage über viele für den Ölzustand maßgebliche Parameter

Entstehung von höheren Kosten und mehr Aufwand als nötig, denn:

  • Kontinuierliche Einsendung von Ölproben an ein Labor zur angemessenen Beurteilung des Zustands notwendig
  • Aufzeichnung des gesamten IR-Spektrums

NDIR-Technologie

Der Ölzustandssensor FluidIX Lub-6 von Fluid.iO hingegen funktioniert auf Basis der optischen NDIR-Technologie (nicht-dispersive Infrarottechnologie). Bei diesem Messverfahren wird nicht das gesamte Infrarotspektrum betrachtet, sondern lediglich die spektralen Banden, welche die Ölalterung widerspiegeln. Das funktioniert durch vorherige Festlegung von Wellenlängenfiltern. Sobald Öl durch den Sensor gepumpt wird, kommt es mit der Messküvette in Berührung und wird von einem IR-Strahler durchleuchtet. Da die im Öl vorhandenen Moleküle das Infrarotlicht bei bestimmten Wellenzahlen aufgrund ihrer typischen Bindungsformen unterschiedlich stark absorbieren, wird so ein Teil des Lichts nicht weiter übertragen. Der andere Teil des transmittierten Lichts trifft anschließend auf die Wellenlängenfilter, die es nur einem schmalbandigen Bereich ermöglichen ungehindert zu passieren. Dieser Bereich wird dann vom IR-Detektor erfasst und so eine Intensitätsmessung der jeweiligen Bande durchgeführt.

Vor- und Nachteile der NDIR-Technologie

Vorteile Nachteile
Feststellung des Ölzustands bereits vor Auftreten von Verschleißmetallen Keine Detektion von Verschleißmetallen möglich
Ermöglicht schnelle Reaktion von Anlagenbetreibern sowie frühzeitige Einleitung von Präventionsmaßnahmen gegen Maschinenschäden

 

Miniaturisiertes und kompaktes Messverfahren (Aufzeichnung ausschließlich der Teile des IR-Spektrums mit Alterungseffekt)  
Inlineanwendung zur kontinuierlichen Ölzustandsüberwachung realisierbar  
Wesentlich geringere Kosten für Anlagenbetreiber  

All diese genannten Vorteile der NDIR-Technologie haben wir in einem Inlinesensor zur Ölzustandsüberwachung kombiniert, welchen wir Ihnen im Folgenden gern etwas näher vorstellen möchten.

Inline-Ölzustandssensor FluidIX-Lub-6

Unser inlinefähiger Ölsensor FluidIX Lub-6 zur permanenten Überwachung des Ölzustandes bietet den entscheidenden Vorteil der direkten Integration in bestehende Maschinen- und Anlagenkonzepte.

Dies kann unter anderem durch die bereits beschriebene, innovative NDIR-Technologie realisiert werden, wodurch Echtzeitinformationen über Parameter, wie beispielsweise Oxidation, Nitration, Wassergehalt, Additivgehalt (Phenole), Sufation sowie Glykol, gewonnen werden können. Außerdem ist eine parallele Erfassung von sechs Messkanälen und zwei Referenzkanälen mittels 8 verschiedener Wellenlängenfilter möglich. Auf diese Weise kann durch eine im Laufe der Betriebszeit entstehende Signalverschiebung eine Aussage über den derzeitigen Zustand des sich in der Maschine befindlichen Öls getroffen werden.

Komfortable Integration des Sensors in bestehende Anlagen

Das Sensorsystem verfügt über folgende Prozessanschlüsse:

  • Ethernet-Schnittstelle zur schnellen und einfachen Inbetriebnahme und Konfiguration des Sensors via Webinterface
  • Digitale Signale und Modbus TCP zur direkten Anbindung an eine Steuerung
  • GSM-Modem zur direkten Anbindung an eine Cloud (optional)

Praxisbeispiel 1: 800 kWel Erdgas-BHKW für die Fernwärmeversorgung

In unserem ersten Beispiel aus der betrieblichen Praxis wird die Ölwechselplanung auf Basis der Betriebsstunden unter Begleitung einzelner externer Laboranalysen vorgenommen. Der Motorölkreislauf besteht hier aus dem Motor selbst, welcher mit einer Motorölwanne von 140 Liter Fassvermögen sowie einem 1.000 Liter großen Öltank interagiert.

Sobald das Öllabor einen Vorschlag zur verbleibenden Anzahl an Betriebsstunden unterbreitet, wird nach Ablauf dieser Zeit das Öl aus dem Motor in den Öltank geleitet. Anschließend wird das verbrauchte, gealterte Öl mit einem zweiten Tank ausgetauscht, sodass wieder Frischöl in den Motor gelangt.

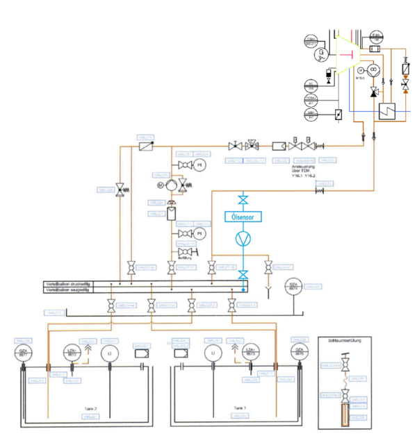
Integration des Sensors im BHKW

Für den Zweck der Fernwärmeversorgung wird das vom Motor kommende Öl mithilfe einer konstant durchlaufenden Ölförderpumpe durch den FluidIX Lub-6 in den Tank geleitet.

Der Sensor wurde hierfür zuvor in die Rücklaufleitung zwischen Tank und Motor des BHKWs eingebaut. Diese Rücklaufleitung vom Motor versah der Anlagenbetreiber mit einem T-Stück; an den Abgang installierte er einen Absperrhahn, den Ölsensor selbst, die Pumpe, sowie einen weiteren Absperrhahn in Reihe. Die Abflussleitung wurde dabei mit einem saugseitigen Ventilbalken verknüpft.

Inline-Ölzustandssensor im Einsatz

Im Verlauf der externen Laboranalysen stellte sich heraus, dass alle Werte mit Ausnahme der Oxidation kaum Auffälligkeiten aufwiesen und somit nur diese einen Indiz für den Ölwechsel darstellt. Die folgende Abbildung zeigt die vom Ölsensor aufgenommenen Messwerte des Oxidationsverlaufes.

Der Einbau des Sensors erfolgte nach einer Laufzeit von 328 Betriebsstunden (Bh). Der erste Ölwechsel wurde nach Ablauf von 1.988 Bh durchgeführt, nach weiteren 1.960 Bh folgte ein erneuter Ölwechsel. Nach jedem Ölwechsel ist der Oxidationswert stets gering, nimmt jedoch mit zunehmender Einsatzzeit im BHKW zu.Außerdem wurden zwischenzeitlich (bei Betriebsstunde 2.600) Wartungsmaßnahmen im BHKW vorgenommen, weshalb die Anlage kurzzeitig still stand und die Oxidation fast unverändert blieb. Die Ergebnisse der externen Laboranalysen sind mit Stern (*) am Graphen gekennzeichnet. Um den Bereich von 4.000 Bh war keine Datenaufzeichnung möglich, da der FluidIX Lub-6 vorübergehend ausgebaut war.

Praxisbeispiel 2: 2000 kWel Erdgas-BHKW zur Nachspeisung der Fehlmengen des Motors

Auch in unserem zweiten Anwendungsbeispiel aus der Praxis wird der gesamte Prozess durch ein externes Ölanalyselabor begleitet. Der Motorölkreislauf besteht hierbei aus dem Motor selbst und einer 250-Liter-Motorölwanne, welche zusammen mit einem Öltieftank von 300 Litern Fassvermögen interagieren. Außerdem sind eine Motorabspritzung sowie ein Rücklauf zur Wanne ebenfalls Teil des Kreislaufs.

Der Ausgleich von Fehlmengen erfolgt mittels einer Pumpe vom Frischöltank in den Tieftank. Das bedeutet, wenn das Öl die durch das Labor ermittelte Verschleißgrenze überstiegen hat, wird es manuell aus der Motorölwanne und dem Tieftank in den Altölbehälter gefördert. Das Altöl kann anschließend durch ein fachkundiges Entsorgungsunternehmen beseitigt und die Anlage über einen Frischölbehälter wieder mit neuem Öl befüllt werden. Sowohl die Befüllung des Frischölbehälters als auch der Abtransport des zu entsorgenden Altöls erfolgen mittels eines Tankwagens.

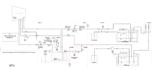
Integration des Sensors im BHKW

Das Sensorsystem wurde in der Leitung zwischen Motor, Motorölwanne und Öltieftank verbaut.

Das Herzstück dieser Anwendung bildet dabei die mit dem Ölsensor interagierende Pumpe.

Um einen reibungslosen Ablauf des Ölkreislaufs zu gewährleisten, wurde diese mit dem Ölsensor in Serie eingebaut sowie ein T-Stück an der Ölleitung zum Motor installiert. Damit das Öl von der Maschine aus in den Tieftank abfließen kann, wurde ein weiteres T-Stück an die Ölabspritzleitung des Motors angeschlossen.

Über seinen digitalen Ausgang reguliert der FluidIX Lub-6 die angeschlossene Pumpe vollkommen automatisch und schaltet sie selbstständig an und aus. Erwacht der Sensor also aus dem Ruhemodus, wird die Pumpe angeschaltet. Die Messung startet und es wird etwa 4 Minuten lang kontinuierlich Öl durch den Ölsensor gepumpt. Ist das erledigt, geht das Gerät wieder in den Ruhemodus über und die Pumpe schaltet sich ab.

Inline-Ölzustandssensor im Einsatz

Wie in der nachfolgenden Grafik zu sehen, kristallisierte sich bei Bewertung der externen Laboranalysen auch hier heraus, dass bis auf die Oxidation alle übrigen Parameter als unauffällig einzuschätzen sind und erneut lediglich die Oxidation auf einen bevorstehenden Ölwechsel hinweisen kann.

In dieser Anwendung wurde der Sensor zu einem etwas späteren Zeitpunkt (bei ca. 1.440 Bh Laufzeit im BHKW) eingebaut. Der erste Ölwechsel wurde nach 2.500 Bh durchgeführt, ein zweiter folgte nach 4.470 Bh. Auch hier zeigt sich wieder, dass der Oxidationswert nach jedem Ölwechsel stets gering ist, jedoch mit zunehmender Einsatzzeit im BHKW ansteigt. Die Ergebnisse der externen Laboranalysen sind in obenstehender Grafik ebenfalls mit Stern (*) im Graphen gekennzeichnet.

Der Oxidationsverlauf kann mithilfe des Ölzustandssensors FluidIX Lub-6 hervorragend gemessen werden. Bei diesem Anwendungsbeispiel zeigt sich zwar, dass der Pumpenbetrieb von 4 Minuten je 2 Stunden eine deutlich zu geringe Menge an Öl durch den Sensor fördert, aber das lässt sich durch eine Veränderung des Zeitintervalls für den Pumpenbetrieb leicht beheben.

Fazit

Zusammenfassend lässt sich sagen, dass die Ölalterung mitilfe unseres Ölsensors FluidIX Lub-6 sehr präzise anhand der Oxidation überwacht und verfolgt werden kann. Der Sensor ermöglicht eine permanente Inline-Überwachung des Ölzustands und ist aufgrund seiner innovativen Technologie für jeden Anlagenbetreiber interessant.

Zukünftig wird der Funktionsumfang des FluidIX Lub-6 Ölzustandssensor noch weiter verbessert: 

  1. Ertönen eines akustischen Alarmsignals am digitalen Ausgang, sobald ein kritischer Zustand erreicht und der eingestellt Grenzwert überschritten ist.
    So kann der Betreiber der Anlage zügig eine Ölprobe entnehmen und diese an ein Labor einsenden, um den gegenwärtigen Ölzustand überprüfen zu lassen.
  2. Entwicklung einer Messmethode zur Online-Detektierung von Verschleißmetallen

Sollten Sie mehr Informationen über dieses Produkt benötigen, besuchen Sie gern die Produktseite unseres Ölzustandssensors FluidIX Lub-6 oder setzen Sie sich direkt mit unserem Vertriebsteam in Verbindung!

FluidIX Lub-6

FluidIX Lub-6

Inline-capable oil condition sensor based on a multi-channel infrared measuring cell for permanent monitoring of the oil condition and prevention of machine damage

Based on non-dispersive infrared technology (NDIR), ZILA GmbH has developed an inline-capable measuring system that permanently monitors the oil condition directly in the system. The optical measuring system consists of a multi-channel infrared measuring cell with associated electronics and peripherals.

Our application engineers advise you personally, comprehensively and professionally!

Simply contact us by phone or e-mail!

Call us right away!

+49-6251-8462-0

contact form

Logo of Fluid.iO Sensor + Control

Fluid.iO
Sensor + Control
GmbH & Co. KG

An der Hartbrücke 6
64625 Bensheim
Tel.: +49-6251-8462-0
E-Mail: info@fluidio.de